智能读码套件-MV-PD010003-23IH

功能特性:
- 内置深度学习读码算法,可有效读取多种码制的一维码和二维码,鲁棒性强
- 实现图像采集、数据处理、结果输出功能于一体
- 一体化结构设计,安装快捷
- 光线集中,发光效率高
- 采用高端材料,专业设计,超长寿命,性能稳定,环境适应性强
- 无缝对接常用快递物流管理系统,为物流及生产企业提供实时有效数据



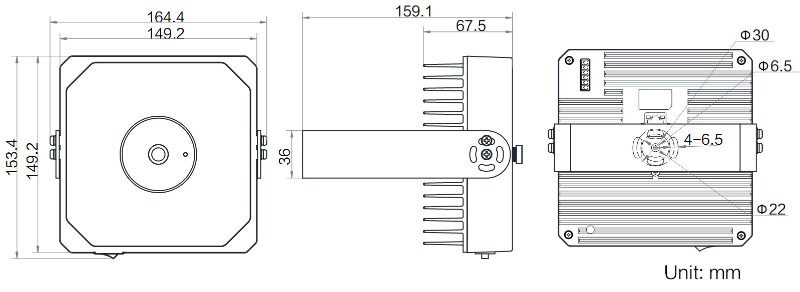
外观尺寸:
详细参数:
| 型号 | 型号 | MV-PD010003-23IH |
| 名称 | 智能读码套件 | |
| 性能 | 条码类别 | 一维码:Code 128、Code 39、Code 93、Codabar、EAN、ITF25 等 二维码:QR、DataMatrix 等 |
| 最大处理帧率 | 10 fps | |
| 最大读取速度 | 30 个码/秒 | |
| 焦距 | 16 mm | |
| 最佳工作距离 | 1870 mm | |
| 视野范围 | 870 mm × 635 mm@10 mil | |
| 景深 | 700 mm | |
| 分辨率 | 4096 × 3000 | |
| 曝光时间 | 16 μs ~ 0.5 sec | |
| 增益 | 0 ~ 30 dB | |
| 光圈 | F2.8 ~ F16 | |
| 中心照度 | 10000 lux@1000 mm | |
| 均匀度 | 0.56 | |
| 光通量 | 4200 lm | |
| 光源波长 | 420 ~ 730 nm | |
| 色温 | 6500 K | |
| 电气特性 | 数据接口 | GigE |
| 数字I/O | 6-pin 绿色接线端子提供电源和I/O 接口,包含1 路光耦隔离输入(LineIn 0), 1 路光耦隔离输出(LineOut 0) | |
| 供电 | 24 VDC | |
| 最大功耗 | 45 W@ 24 VDC | |
| 结构 | 外形尺寸(不含镜头) | 153.4 mm × 164.4 mm × 159.1 mm |
| 重量(不含镜头) | 约1550 g | |
| 温度 | 工作温度0~50℃,储藏温度-30~70℃ | |
| 湿度 | 20%~80%RH 无冷凝 | |
| 一般规范 | 软件 | IDMVS |
| 操作系统 | Windows XP/7/10 32/64bits | |
| 认证 | CE,FCC |



mv-dl2040-04b-h-1.png)